Cảm biến tiệm cận IN30-E0306K là loại cảm biến được sử dụng rất nhiều cho xi lanh khí nén, xi lanh thủy lực. Chính vì khả năng nhận biết nhanh, nhạy sự thay đổi từ trường khi xuất hiện một vật thể mang từ trường tiến đến gần. TVP phân phối đa dạng cảm biến SICK chính hãng, mời quý khách hàng tham khảo.
Thông tin chi tiết về IN30-E0306K
| Nguyên lý cảm biến | quy nạp |
| Số lượng đầu ra an toàn | 2 |
| Đường kính nhà ở | M18 |
| Bật vùng | 1mm … 5mm 1) |
| Khoảng cách tắt an toàn S ar | 7 mm |
| Hướng dẫn thực hiện | 5 |
| Bề mặt cảm biến hoạt động | 1 |
| Nguyên lý cảm biến | quy nạp |
| Số lượng đầu ra an toàn | 2 |
| Đường kính nhà ở | M18 |
| Bật vùng | 1mm … 5mm 1) |
| Khoảng cách tắt an toàn S ar | 7 mm |
| Hướng dẫn thực hiện | 5 |
| Bề mặt cảm biến hoạt động | 1 |
| Thiết kế | hình trụ |
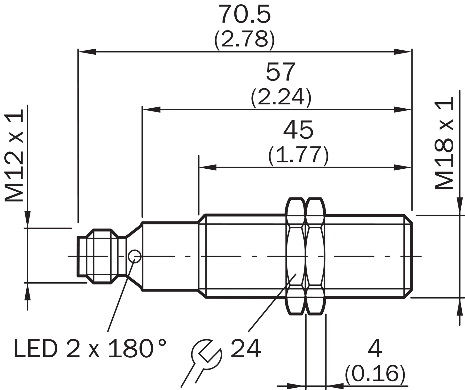
| Đường kính nhà ở | M18 |
| Chiều dài nhà ở | 70,5 mm |
| Cân nặng | + 0,11kg |
| ớp bảo vệ | III (EN 50178) |
| Điện áp cung cấp V s | 24 V DC (19,2 V DC… 28,8 V DC) |
| Loại đầu ra | Chất bán dẫn |
| Thời gian đáp ứng | 1 mili giây |





Reviews
There are no reviews yet.